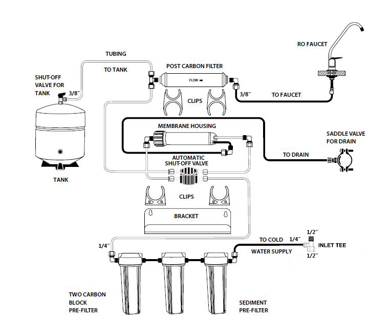
5 stage RO filter system - AquaTek Pro - Drinking water filter system
Reverse Osmosis
The AquaTek Pro Line 5 Stage Reverse Osmosis Water System is an excellent system for your water filtering needs.

Our AquaTek Pro Line of RO systems have standard filters and parts making them durable, reliable, and long-lasting. They're not proprietary like other systems that require you to buy specific, hard to find, filters and parts.
If you need more information or finding the right 5 Stage RO System for your needs, call us at 772-538-0284 and a helpful water purification technician can help you with the particular filter stack.
The AquaTek Pro Line 5 Stage Reverse Osmosis Water System is excellent in removing and reducing 98% of all contaminants, impurities, metals, bacteria, viruses, chromium 6, and so much more.
Everything is included for a quick and simple installation. FDA approved. Our 5 Stage RO System has the high quality, top-of-the-line DOW Filmtec Membrane.
Membrane 100 GPD
Maximum Pressure 100 psi
Minimum Pressure 40 psi
Maximum TDS 2,000 PPM
Maximum Hardness 15 GPG
Maximum Iron 0.3 PPM
Maximum HS 0.0 PPM
Tubing (Tank & Faucet) 3/8"
Tubing (Other) 1/4"



